Открытая и закрытая системы отопления. Закрытая и открытая системы отопления: какая лучше?
- Открытая и закрытая системы отопления. Закрытая и открытая системы отопления: какая лучше?
 - Открытая система отопления с газовым котлом. Как же действует открытая система отопления
 - Открытая система отопления с насосом. Варианты подключения
 - Открытая система отопления без насоса. Что такое открытая система отопления и как она работает
 - Открытая и закрытая система биология. «Биологические системы»
 - Открытая и закрытая система отопления в многоквартирном доме. Закрытая система отопления
 - Открытая система отопления это. Открытая система отопления
 - Открытая и закрытая система управления. ОРГАНИЗАЦИИ КАК ЗАКРЫТЫЕ И ОТКРЫТЫЕ СИСТЕМЫ
 - Открытая и закрытая система водоснабжения. Системы горячего водоснабжения (ГВС) по принципу работы делятся на открытые и закрытые.
 
Открытая и закрытая системы отопления. Закрытая и открытая системы отопления: какая лучше?

Для того, чтобы ответить на вопрос «какая система отопления лучше – открытая или закрытая?», прежде всего, необходимо разобраться с терминологией. Именно такая формулировка ( открытая и закрытая системы отопления ) является ошибочной.
На самом деле, в научной литературе действительно классифицируют системы на открытые и закрытые, но речь идет о системах теплоснабжения , а не отопления. Так в чем же разница между этими понятиями?
Отличия систем отопления от систем теплоснабжения
Системы отопления – это комплекс технических элементов (радиаторов, трубопроводов и другого оборудования), предназначенных для получения, переноса и передачи тепла во все помещения конкретного здания, с целью обеспечения и поддержания нормируемой внутренней температуры воздуха. Таким образом, рассматривается только одно отдельное здание.
Системы теплоснабжения – это комплекс технических устройств, обеспечивающих:
- Приготовление теплоносителя (ТЭЦ, котельная);
 - Транспортировку теплоносителя (тепловые сети);
 - Распределение тепловой энергии отдельным потребителям.
 
Теплоснабжение – это более глобальное понятие.
Что же тогда ошибочно подразумевают под закрытыми и открытыми системами отопления?
Миф 1: классификация по типу расширительного бака
Закрытые системы – это системы отопления, в которых используется закрытый (мембранный) расширительный бак.
Открытые системы – это системы, соответственно, с открытым расширительным баком.
Расширительный бак нужен для того, чтобы принять избыток теплоносителя при его расширении, поскольку при повышении температуры жидкость увеличивается в объеме.
Без устройств, принимающих в себя излишек теплоносителя – давление в системе повышается, что иногда приводит к печальным последствиям, например, может произойти порыв трубопровода и срыв запорно-регулирующей арматуры.
Открытый расширительный бак (рис.1) не является герметичным – он имеет взаимосвязь с воздухом. Используется в основном в гравитационных системах отопления частных домов. В таких системах жидкость циркулирует без насоса, за счет перепада температур.

Рис.1. Открытый расширительный бак в гравитационной системе отопления
Закрытый (мембранный) расширительный бак (рис.2) представляет собой герметично закрытую металлическую емкость, разделенную на 2 камеры эластичной мембраной. Отсюда и название «мембранный».

Рис. 2. Закрытый (мембранный) расширительный бак в системе отопления
Миф 2: по типу подключения здания к тепловым сетям
Закрытые системы (подразумеваемые в данном контексте) – это системы отопления здания, которые подключены к наружным тепловым сетям через теплообменник. То есть, система отопления потребителя никак не соединяется с наружными сетями, отсюда и название «Закрытая».
На самом деле, такой тип подключения правильно называть – Независимым (рис.3).

Рис.3. Схема независимого подключения системы отопления к тепловым сетям
При таком подключении теплоноситель от источника (ТЭЦ) циркулирует через теплообменник, отдавая тепло.
При проектировании всей системы отопления объекта, например, жилого многоквартирного дома, становится понятно какой тип теплообменных аппаратов подойдет: кожухотрубный, кожухопластинчатый или необходимо купить пластинчатый теплообменник .
Теплообменник при этом устанавливается в индивидуальном тепловом пункте здания (ИТП).
В настоящее время подобный тип подключения вытесняет устаревший - Зависимый .
Открытые системы – это системы отопления, подключающиеся непосредственно к тепловым сетям, либо через элеватор. Теплоноситель при этом поступает из наружных тепловых сетей к конечному потребителю, предварительно пройдя через элеватор для понижения температуры.
Температура подачи в тепловых сетях 110-150 °С, в системах отопления нельзя использовать столь горячий теплоноситель, так как будут возможны ожоги от радиаторов и трубопроводов.
Открытая система отопления с газовым котлом. Как же действует открытая система отопления
Чтобы запустить систему, нет необходимости устанавливать насос. Теплоносители постоянно находятся в замкнутой системе, поэтому нет никаких потерь. Монтаж системы отопления настолько прост, что не требует специальных навыков.
Система отопления открытого типа
Каковы же главные части системы?
- Газовый или твердотопливный котел. Потребитель для себя может выбрать оптимальный вариант, отвечающий желаемым требованиям;
 - Радиаторы отопления. Можно сделать свой выбор как в пользу чугунного, так и стального;
 - Расширительный бачок из стали;
 - Трубы.
 
Как же работает система отопления открытого типа?
Первым делом идет подогрев воды в котле. Затем горячая вода под напором поступает в трубы и достигает зоны низкого давления. После того, как горячая вода совершит полный водоворот и отдаст тепло, она возвращается в начальную точку – котел. В связи с тем, что под действием высоких температур вода расширяется, необходим в системе расширительный бак. Он выполняет роль компенсатора лишнего объема воды. Бак является предметом, который запаян не герметично. Для облегчения запуска системы отопления необходимо установить врезной кран. С его помощью из системы удаляется воздух. Принцип работы открытой системы отопления делят на два этапа:
- «Подача». Вода нагревается, поступает по трубам в радиаторы и обогревает помещение;
 - «Обработка». Остывшая вода из радиаторов по трубам возвращается в котел.
 
Особенности обустройства открытой системы отопления:
Обязательно располагайте расширительный бак выше уровня остальных приборов системы отопления;
В качестве теплоносителя выберите воду, а не антифриз;
Поскольку вода при нагревании способна испаряться, важно контролировать ее уровень в котле и вовремя пополнять запасы.
Открытая система отопления с насосом. Варианты подключения
Система отопления открытого типа с насосом может быть реализована одним из предложенных способов. Каждый из них имеет свои слабые и сильные стороны, однако вам следует самостоятельно принять решение о том, какой из предложенных вариантов подойдёт именно вам. Например, для гаража будет уместна первая схема, в то время как для строения в несколько этажей нужна будет другая реализация.

Схема системы отопления с насосом достаточно проста и может быть реализована своими силами, без привлечения сторонних специалистов.
Гибридная
Такой вариант предполагает, что в случае отключения электричества схема продолжит работу по аварийному варианту, и пусть с небольшими потерями, но всё-таки продолжит подачу тепла там, где это необходимо.
Реализуется горизонтальным способом прокладки труб. Трубы должны быть большего диаметра, чем при остальных вариантах подключения. Теплоноситель, нагреваясь в котле, поднимается по трубам благодаря законам физики, и протекает по горизонтальной трубе, расположенной под потолком, с небольшим уклоном. От основной трубы идут отводы вниз, к радиаторам. Двигаясь по предложенной схеме, вода остывает и стекает вниз, уходя в нижнюю горизонтальную трассу, по которой возвращается к котлу для повторного нагрева.
Недостатками такого подключения является необходимость прокладки верхней трассы из труб большого диаметра, привлекающей к себе внимание, малая скорость циркуляции и неравномерность распределения тепла. Кроме того, подобный вариант необходимо основательно рассчитать, используя на разных участках трубы разных диаметров, чтобы компенсировать распределение тепла. А преимущество одно, но зато какое: система автономна и в сочетании с твёрдотопливным котлом – практически не требует ничего, кроме топлива.
Когда электричество есть – вода прогоняется по трубам помпой, скорость тока увеличивается, прогрев происходит быстрее и распространяется более равномерно.
Однотрубная
Вариант практически не отличается от описанного выше, за исключением того, что трубы можно брать меньшего диаметра, а стояк вести вдоль пола. Такой вариант подключения известен под названием Ленинградка, в честь города, где был разработан и впервые внедрён.
Ленинградка – это отличный способ прокладки тепла в доме, реализуется она следующим образом: Вода, разогретая в котле и прокаченная насосом, движется по горизонтальному стояку. От которого идут отводы вверх, к радиаторам отопления. Сам стояк может быть спрятан в полу. Установка игольчатых клапанов на местах входа и выхода из радиатора позволяет проводить дальнейшее обслуживание без отключения всей сети. Установка такого клапана на участке находящемся между отводами к радиатору топления, позволяет в дальнейшем провести тонкую настройку и выровнять нагрев на разных участках цепи.
Двухтрубная
Как следует из названия, предполагает использование двух стояков. По одному из них тепло подаётся к радиаторам, по второму отводится от них. Применяется в основном с целью возможности настраивать температуру каждого отдельного радиатора в каждом отдельном помещении. Радиаторы дополняются реостатами, и благодаря тому, что теплоноситель подаётся к каждому из них практически одномоментно и обладает одинаковой стартовой температурой, могут быть настроены с предельной точностью.
Кроме того, такое подключение позволяет дополнять систему, устанавливая тёплые полу, отводы в линию горячего водоснабжения и другие необходимые дополнения.
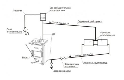
Открытая система отопления без насоса. Что такое открытая система отопления и как она работает
Возможно, Вас заинтересует информация-навесной котел
Перед тем как приступать к обустройству системы открытого отопления и прокладке коммуникаций, следует узнать, как установить теплосчётчики на отопление, что это за схема и как она работает. Потому начнем с базового определения. Открытой системой отопления называется схема с негерметичным расширительным баком. В её магистралях циркуляция теплоносителя осуществляется, как правило, естественным путем, без применения насосов и других приборов, потребляющих электроэнергию.

Открытая система отопления: 1. Котел отопления; 2. Циркуляционный насос; 3. Приборы отопления; 4. Дифференциальный клапан; 5. Запорные задвижки; 6. Расширительный бак
Происходит это следующим образом: нагревательный котел, сжигая твердое топливо или газ, производит тепловую энергию. Она, в свою очередь, передается теплоносителю, в роли которого выступает в данном случае обычная вода. Жидкость нагревается, расширяется и под высоким давлением устремляется в подающую магистраль системы отопления. Затем вода по трубам, расположенным под небольшим уклоном, проходит через радиаторы отопления и отдает им свою тепловую энергию. Она же, в свою очередь, и отапливает помещение. Как установить котел газовый двухконтурный настенный, Вы можете прочитать в нашей статье.

Открытая водяная система теплоснабжения
Пройдя через батареи, теплоноситель поступает в отводящую магистраль, также известную как «обратка». Там вода охлаждается, ее плотность увеличивается. Между подающей и отводящей линиями возникает разность давления – в первой оно больше, во второй меньше. За счет этого и создается циркуляция – горячая жидкость «продавливает» холодную. А та, возвращаясь в котел, за счет сжигаемого топлива вновь нагревается. Цикл замыкается и повторяется.
Возможно, Вас заинтересует информация о том, как правильно установить насос на отопление
На подающей линии открытой системы отопления, помимо радиаторов, располагается негерметичный расширительный бак. Как правило, он полностью либо частично не имеет крышки. При необходимости в нем располагаются «излишки» воды, расширяющейся при повышении температуры. Наличие расширительного бака предотвращает прорывы и аварии в отопительной системе. Кроме того, через него из магистрали уходит воздух, попавший туда тем или иным путем.

Схема, демонстрирующая устройство открытой системы отопления
Важно! Свое название открытая система отопления получила именно из-за наличия негерметичного (проще говоря, открытого) расширительного бака.
Открытая и закрытая система биология. «Биологические системы»
Код раздела ЕГЭ: 1.2. Биологические системы. Общие признаки биологических систем: клеточное строение, особенности химического состава, обмен веществ и превращение энергии, гомеостаз, раздражимость, движение, рост и развитие, воспроизведение, эволюция.
Биологические системы – это объекты различной сложности, имеющие несколько уровней структурно-функциональной организации и представляющие собой совокупность взаимосвязанных и взаимодействующих элементов. Примеры биологических систем: клетка, ткани, органы, организмы, популяции, виды, биоценозы, экосистемы разных рангов и биосфера.
Биологические системы (или живые системы) отличаются от тел неживой природы совокупностью признаков и свойств, среди которых основными являются:
- клеточное строение (Все существующие на Земле организмы состоят из клеток. Исключением являются вирусы, проявляющие свойства живого только в других организмах.);
 - особенности химического состава (Главными особенностями химического состава клетки и многоклеточного организма являются соединения углерода — белки, жиры, углеводы, нуклеиновые кислоты. В неживой природе эти соединения не образуются);
 - обмен веществ и превращения энергии (Обмен веществ — совокупность биохимических превращений, происходящих в организме и других биосистемах. Все живые системы являются открытыми системами, через которые непрерывно идут потоки веществ, энергии и информации. К открытым системам относят системы, между которыми и окружающей средой происходит обмен веществ и энергии, например, растения в процессе фотосинтеза улавливают солнечный свет и поглощают воду и углекислый газ, выделяя кислород);
 - гомеостаз — это способность биологических систем противостоять изменениям и поддерживать относительное постоянство химического состава, строения и свойств, а также обеспечивать постоянство функционирования в изменяющихся условиях окружающей среды;
 - раздражимость — способность организма реагировать на внешние и внутренние раздражители (рефлексы у животных и тропизмы, таксисы и настии у растений);
 - движение — возможность активного взаимодействия со средой, в частности, перемещение с места на место, захват пищи и т. п.;
 - рост и развитие (Все организмы растут в течение своей жизни. Под развитием понимают как индивидуальное развитие организма, так и историческое развитие живой природы);
 - воспроизведение (Способность живых систем воспроизводить себе подобных. В основе размножения лежит процесс удвоения молекул ДНК с последующим делением клеток);
 - эволюция — естественный процесс развития живой природы, сопровождающийся изменением генетического состава популяций, формированием адаптаций, видообразованием и вымиранием видов, преобразованием экосистем и биосферы в целом.
 
Открытая и закрытая система отопления в многоквартирном доме. Закрытая система отопления
В закрытой системе отопления все элементы системы герметичны, отсутствует испарение воды. Циркуляция осуществляется при помощи насоса. Так называемая система с принудительной циркуляцией теплоносителя включает в себя трубы, котёл, радиаторы, расширительный бак, циркуляционный насос .
В закрытой системе отопления при повышении температуры клапан расширительного бака открывается и забирает излишки теплоносителя. При понижении температуры теплоносителя циркуляционный насос закачивает его обратно в систему. В данной системе отопления поддерживается давление в заранее установленных пределах. Благодаря этому, осуществляется функция деаэрации теплоносителя.
Для стабильной работы системы закрытого отопления также используется расширительный бак из высокопрочного металла. Это закрытый бак, состоящий из двух половин, завальцованных друг к другу.
Внутри располагается мембрана (диафрагма) из высокопрочной жаростойкой резины. Также внутри имеется небольшой объём газа (может быть азот, который закачивается на заводе-производителе, или воздух, накапливающийся в системе по необходимости). Мембрана разделяет бак на части: одна часть — куда поступают излишки воды при нагреве системы отопления, в другой части находится азот или воздух, не вступающие в прямое соприкосновение с водой. Таким образом, теплоноситель при нагреве поступает в расширительный бак и проникает в мембрану. При остывании теплоносителя газ, находящийся за мембраной, начинает выталкивать его обратно в систему.
Открытая система отопления это. Открытая система отопления
Открытая система отопления схема которой предполагает наличие расширительного бачка, используется во многих домах. При расширении излишки жидкости попадают именно в расширительный бак. Кроме того, при избытке воды в системе она также поступает в бачок.
Расширительный бак не герметичен, что обуславливает постоянное испарение воды, поэтому ее необходимо периодически доливать. Схема открытой системы отопления довольно проста, но при этом отличается надежностью. Открытая система отопления не предусматривает наличие насоса. Количество входящих в систему элементов довольно невелико: трубопровод, расширительный бачок, отопительные приборы и котел. В такой конструкции можно устанавливать любые котлы, кроме электрических.
Жидкость в открытой системе отопления двигается довольно медленно, поэтому трубы в процессе использования нужно постепенно прогревать, чтобы предотвратить их износ и закипание воды.
В том случае, если в холодную пору года отопление не функционирует, воду из системы необходимо слить, чтобы избежать замерзания или прорыва труб.
Для обеспечения хорошей циркуляции отопительный котел должен быть установлен на самом низком уровне, а в самой высокой точке системы располагается расширительный бачок. Для использования открытой системы отопления в зимних условиях бачок нужно утеплять. При прокладке трубопровода для такой системы желательно использовать минимум соединительных деталей.
Открытая и закрытая система управления. ОРГАНИЗАЦИИ КАК ЗАКРЫТЫЕ И ОТКРЫТЫЕ СИСТЕМЫ
Система есть совокупность взаимосвязанных и взаимозависимых частей, составленных в таком порядке, который позволяет воспроизвести целое в любых условиях.
Уникальной характеристикой систем являются внутренние отношения между частями (элементами)'.
- 1. Для любой системы характерны как дифференциация, так и интеграция. Каждая ее часть выполняет индивидуальные функции. В то же время для поддерживания взаимосвязи отдельных частей системы и формирования единого целого осуществляется интеграция. В организациях она обычно достигается координацией уровней иерархии, прямым наблюдением за поведением системы, выполнением отдельных правил, процедур и программы деятельности.
 - 2. Хотя организации состоят из частей, или элементов, они сами являются подсистемами в рамках более крупной системы. При этом целое не является простой суммой частей, поскольку систему следует рассматривать как единство не только элементов, но и взаимосвязей между ними, что может повышать эффективность их деятельности или уменьшать ее (мультиплексный, или синергетический, эффект). Различают системы закрытые и открытые. Понятие закрытой системы порождено естественными науками. Такая система, будучи самоподдерживающейся, почти не реагирует на внешние воздействия. Совершенная система этого типа вообще не воспринимала бы энергию от внешних источников и не отдавала бы свою энергию во внешнюю среду. Закрытая организационная система находит ограниченное применение, так как ее основные функции — самовыживание и саморепро- дуцирование. Она не может быть подсистемой системы экономических и социальных отношений в обществе и соответственно не может выполнять значимую для общества миссию и осуществлять экономическую или иную деятельность.
 
Открытая и закрытая система водоснабжения. Системы горячего водоснабжения (ГВС) по принципу работы делятся на открытые и закрытые.
Открытой системой ГВС называется система, в которой вода для горячего водоснабжения забирается непосредственно из подающего и обратного трубопроводов тепловой сети (системы отопления), смешивается в специальных устройствах — гидроэлеваторах и поступает к водоразборным кранам.Закрытой системой ГВС называется система, в которой из водопроводной сети забирается холодная вода, нагревается теплом сетевой воды в специальных нагревателях – бойлерах, расположенных в тепловых пунктах (в подвалах) домов, не соприкасаясь и не перемешиваясь с теплоносителем — водой системы отопления, и затем поступает к водоразборным кранам системы ГВС МКД.
Существуют независимые открытые системы ГВС, в которых отсутствуют связи между трубопроводами горячей воды и отопления, а холодная вода для нужд ГВС, забираемая из водопроводной сети, нагревается на ТЭЦ, в районных или домовых (крышных) котельных и подается в МКД по отдельным сетям горячего водоснабжения.
Давление (и, соответственно, расход) воды в системах ГВС создается насосами, расположенными на ТЭЦ, в районных или домовых (крышных) котельных.
Большинство систем ГВС в соответствии с нормативными документами имеют систему циркуляции — трубопроводы и/или насосы циркуляции, по которым непрерывно циркулирует вода. В результате этого по всей длине трубопроводов ГВС, в том числе вблизи водоразборных кранов, постоянно поддерживается температура воды в соответствии с требованиями норм — не ниже 60 гр.С.
Горячая линия может не иметь циркуляционной линии только в том случае, если ее не запроектируют безграмотные «специалисты» или «забудут» построить вороватые строители при попустительстве подельников – городских властей, или уворуют на металлолом сантехники ЖКХ.
Однако в случаях, когда из системы ГВС осуществляется постоянный разбор горячей воды (в банях, в технологических установках) и при малой длине подающих трубопроводов от источника тепла до точек водоразбора система ГВС может не иметь циркуляции.
И открытые, и закрытые системы ГВС при проектировании, монтаже и при реконструкции должны быть оснащены устройствами автоматического поддержания температуры воды в пределах нормативных величин — не ниже 60 и не выше 75 гр. С.
(основания:
— п. 5.2.4 Свода правил СП 30.13330.2012 «Внутренний водопровод и канализация зданий» Актуализированная редакция СНиП 2.04.01-85; п. 15.14 Свода правил СП 124.13330.2012″СНИП 41-02-2003. Тепловые сети» Актуализированная редакция СНиП 41-02-2003 (утв. приказом Минрегионразвития РФ от 30 июня 2012 г. N 280); — п. 5.3.1 документа «Правила и нормы технической эксплуатации жилищного фонда» (утв. Пост. Госстроя России от 27 сентября 2003 г. N 170)).
Качество воды в открытых и закрытых системах ГВС должно соответствовать требованиям СанПиН 2.1.4.1074-01 «Питьевая вода. Гигиенические требования к качеству воды централизованных систем питьевого водоснабжения. Контроль качества».
Однако, хотя горячая вода системы ГВС должна по качеству соответствовать качеству холодной питьевой воды, употреблять ее как питьевую санитарные врачи не рекомендуют, особенно при открытой системе ГВС, так как в практике не исключено ее загрязнение. Например, в начале пускового пери-ода или после ремонта оборудования ГВС вода загрязняется вымываемыми из труб грязью и отложениями. Поэтому горячую воду рекомендуется применять в основном для стирки, мытья посуды, других санитарно-гигиенических нужд.